装正品 假一罚十
下面是官方技术文件 ,看看就知道声音不会差了!

每声道有30W输出能力!大于LM1875,且失真为0.009%
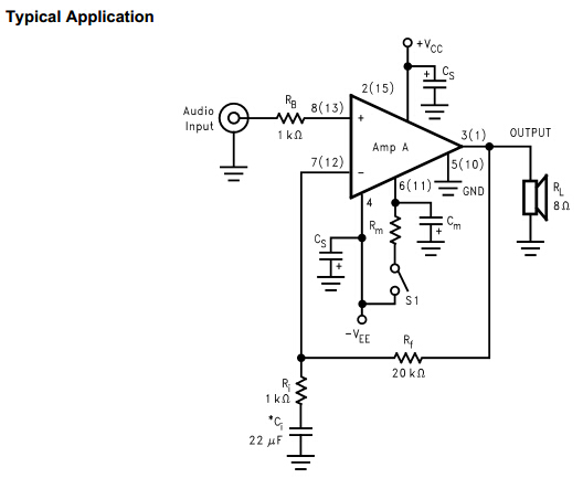
--------------------典型应用线路----------------------

并联接线方法

推荐应用线路:

内部框图:

|
公司基本资料信息
| |||||||||||||||||||||||||||||
下面是官方技术文件 ,看看就知道声音不会差了!

每声道有30W输出能力!大于LM1875,且失真为0.009%
--------------------典型应用线路----------------------

并联接线方法

推荐应用线路:

内部框图:
