直流电机相对开关电源模块交流电机有调速性能优良、调速方便、平滑、调速范围广等优点,因此仍然广泛应用于很多开关电源模块工业场合。MTD2002直流调速主要有以下几种方式:电枢串电阻调速、改变电枢电压调速、PWM直流调整系统、双闭环直流调速系统、数字式直流调速系统和改变MTD2002励磁的恒功率调速。
直流电动机测试电源要根据直流电动机的试验要求进行调压试验、轻载试验、负载试验和过载试验,还要进行动态过程试验等。这就要求其具有连续调压、过流功能,并要求响应速度快。本篇文章将介绍大功率直流电动机测试电源设计。
电路设计
1整流电路计算
整流电路选用的是三相不控整流。这个MTD2002电路的特点是简单、快速,而且输出波形能够满足逆变电路的要求。开关电源模块输入整流滤波电路的主要作用是将交流电压变为直流电压;此外,还要具有一定的输出电压保持能力,既能防止来自电网的干扰进入电源,又能防止电源产生的干扰。
二极管应当按照有效值选取,如下是计算过程。
整流输出电压Ud的波形在一个周期内波动6次,且脉动波形相同,因此:

(1)
U2为相电压有效值,其值为220V。
Ud=2.34×220=514V (2)
P0为50kW,效率η取0.8,所以P0=Ud×Id×0.8,Id=P0/Ud×0.8=122A。
流过整流二极管电流的有效值为:
(3)
而每只整流二极管承受的最大反压为:
(4)
考虑到电网电压的波动-10%~+10%,所以二极管最小参数应取:
IA(VT)=I(VT)×1.1=78A
UFM=URM×1.1=593V
所以,二极管额定参数为:200A、1200V。因此选择的二极管型号为开关电源模块ZP200-ZL20螺栓型普通整流二极管。

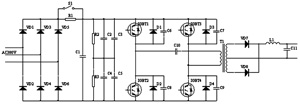
图1 主电路图
2 滤波电容计算
电源中工频滤波器接在工频整流与逆变电路之间,既能将脉动电流变为平滑的直流,还能抑制高频干扰,尤其是变换中产生的高频干扰。
滤波电容最好选用等效串联电阻低且电容量大的电解电容,因为等效串联电阻值对输出脉动电压值有直接影响。因此,为了减少MTD2002等效串联电阻,用4个电容串并联,获得所需的电容量电路。
电网电压为380V,不考虑波动,空载直流电压Ud0约为线电压峰值540V。在带负载时,电压有所下降,电容电压:
Ud=1.35×380=513V (5)
输入电流Id,即高频变压器输入电流125A。直流侧电压在带负载时是脉动的,如图2所示。最大开关电源模块电压降△U按10%考虑。在T1区间内,电容C向负载放电,在T/6区间完成一个充放电周期。

图2 滤波电容滤波过程分析
假定在电容放电期间放电电流恒定,则:
Id=C△U/T1 (6)
(7)
由式(7)得

(8)

(9)
式中,Id为输入电流125A;△U为电压变化量(△U =Ud0×10%=54V);T1为电容放电时间; 开关电源模块Ud0为空载直流电压540V;T为工频交流电周期20ms;为工频交流电角频率),可得:

(10)
电容承受的线电压峰值540V。
实际中,采用4个5600μF/400V的电解电容和2个大电阻并联为一组,用2组串联在一起组成MTD2002滤波电容组。其电容量为5600μF。大于计算值,滤波效果满足小于10%的要求。
因此,选择DCMCE 1669型电解电容,其规格为5600μF/400V。
[1] [2]




