传统的矢量模式单周期控制三相PWM整流器是基于对称电网系统下研究的,功率因数约为1,输入谐波低,且与双极型单周期控制相比,具有更低的开关损耗。当三相电网不对称时,三相输入电流跟踪电网电压的非零序分量,采用传统电网电压选择矢量区间不能保证三相PWM整流器具有较低的开关损耗,且在电网极端缺相故障时,系统不能正常工作。本文采用电网电压非零序分量选择矢量区间,并对矢量区间状态进行分析比较,结果证明所采取的方法能保证系统在任何情况下开关损耗最低。最后对三相PWM整流器工作于不对称电网情况下进行了仿真研究,仿真结果表明采用电网电压非零序分量选择矢量区间能保证电网电压在缺相故障时系统仍能正常工作,并且所采用的单周期控制同时满足对称电网系统。
1 引言
近十几年来,随着对用电设备谐波污染的日益重视,三相高频PWM整流器技术已经成为电力电子领域研究的热点之一。由于三相电力电子装置在电网中占有很大比重,三相中大功率PFC成为近年研究的重点,而其中以三相六开关双向PWM整流器应用最广[1-2]。
在三相PWM整流器的各种控制方法中,单周期控制展现了其突出的优点:不需进行d-q坐标变换、无需乘法器、具有调制和控制的双重功能[2][4],无论在稳态或暂态情况下,在控制周期内受控的输入电流平均值均能恰好正比于控制参考信号,具有动态响应快、开关频率稳定、鲁棒性强、易于实现等特点[4]。在实际电网中,由于电网故障、大容量不对称负载的使用等,都可造成电网的不对称,而一般都在电网对称情况下研究单周期控制的PWM整流器[1][2][4][7][8][9]。虽然单周期控制具有一定的抗扰动性能,但在不对称电网情况下,尤其是电网缺相故障时,基于电网电压选择矢量区间的单周控制存在着两个固有的缺点:(1)不能保证矢量模式的单周期控制具有最低的开关损耗;(2)不能保证在电网极端缺相故障时系统的正常运行。本文针对以上两个缺点,分析不对称电网的特点,采用非零序分量进行区间选择以改进传统的区间选择法,消除了以上两个固有的缺点,提高了矢量模式单周期控制三相PWM整流器的可靠性能。最后通过仿真实验,证实了该方法是实际可行的。
2 单周期控制三相PWM整流器的状态方程
图1是三相六开关PWM整流器主电路拓扑图。为了便于原理分析,假设:(1)三相输入是对称的,内阻为零,如图2所示,三相电压根据过零点被划分为6个区间;(2)各相电感相等,即La=Lb=Lc=L;(3)每个桥臂上、下两个开关互补运行;(4)开关频率远大于电网频率。节点a、b、c相对节点n的电压为:

(1)
三相六开关PWM整流器的平均数学模型[2]为:

(2)
由文献[3]可进一步推出输入电压与输出电压的关系:

(3)

图1三相六开关PWM整流器拓扑图

图2三相对称电网及矢量区间
其中dan 、dbn和dcn分别是开关San 、Sbn和Scn的占空比。在00~600中,B相桥臂保持[6] ,即dbn=1代入式(3)得:

(4)
为了得到单位功率因数,三相PWM整流器控制的目标方程为:

(5)
令:
(6)
其中Vm为电压补偿器输出电压,E为输出电压Vdc, Rs为电流传感器测量内阻,Re为三相等效负载。将(5)代入(4)得:

(7)
根据图2所示的矢量区间,同理可得其他区间的状态方程列于表1:(abc表示三相相电压与0的比较值,1表示相电压大于0,0表示相电压小于0)。

表1单周期控制核心状态方程
3 单周期控制不对称三相PWM整流器的分析
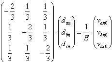
前面所讨论的单周期控制的核心方程式(7)是在假定三相电源电压对称的情况下推导出来的,其中Ua+Ub+Uc=0关系是成立的。而在三相不对称电网系统中,如图3所示,采用对称分量法将三相不对称电压分解为正序分量、负序分量及零序分量[5][10]。由于存在零序分量有Ua+Ub+Uc≠0。由文献[7]得在不对称三相电网下输出电压与输入电压非零序分量有如下关系:

(8)

(9)
其中V0=1/3(Va+Vb+Vc)。Van0、Vbn0、Vcn0和V0分别为三相电压非零序分量及零序分量。将单周期的核心方程(7)代入(8)式得不对称电网下单周期控制的目标方程:

(10)
若使三相输入电流仍跟踪三相电网电压,只有令

:并代入(8)和(9)式,在I区间内有:

(11)
式(10)说明了在不对称系统中,输入电流与电网电压的非零序分量成比例,并且三相电压源承载相等的负载。但是传统矢量模式单周期控制的区间选择是基于三相电网电压,这显然不适于不对称电网系统。考虑一般性及极端情况,设A相正常,C相幅值降为额定的10%,相位超前A相1500,B相缺失,如图3所示。

图3 B相缺相时的不对称电网
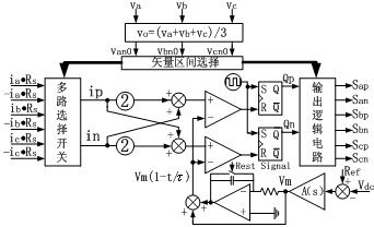
B相的过零点无法确定,[00-3600]各区间参数如表2,在区间[1800-2400]内控制参数不能确定,因此单周期控制器不能发出正确的驱动信号,即在电网缺相极端情况下,系统不能正常工作。图5所示为不对称三相电压及其对 应的非零序分量,而三相电流与非零序电压分量成比例,在[00-600]区间内Van0、Vcn0有过零点,由过零点划分矢量区间,则在[00-600]可继续划分区间1、2和3,分别对应C相桥臂开关、B相桥臂开关及A相桥臂开关保持开通或关断,而传统的矢量模式单周期控制在[00-600]只有B相保持开通或关断,因此开关损耗未能最小。本文采用三相电压非零序分量选择矢量区间,控制框图如图4。

图4单周期控制电路框图
非零序电压分量矢量区间划分如图6所示。在区间I内: Vbn0<0,Van0>0,Vcn0>0即Sbn=1。从(9)式得Va> Vb,Vc> Vb,仍然包含于传统的矢量模式单周期控制的区间选择中。同理可划分其余区间如表3,vp、vn是对应区间内的线电压,ip、in是对应区间内相电流。从表中可知非零序分量矢量区间划分消除了极端缺相不对称时的未定开关状态参数,保证了系统的可靠工作,提高了矢量模式单周期控制的可靠性能。另外在对称电网中由于零序分量V0=0,所以有Va= Van0,Vb=Vbn0,Vc=Vcn0,此时为传统矢量模式单周期控制,即同时满足对称电网系统。

4 仿真实验结果
本文针对的三相电网是模拟高速永磁同步发电机发出的高频交流电,交流电网频率f为1kHz、相电压有效值为220V,开关频率fs为200kHz,三相交流侧电感L为0.065mH,直流母线侧电容为550uF,电流传感器的测量内阻为0.1Ω。应用的仿真软件是PSIM,为了验证所采用的单周期控制的可行性,对以下3种情况进行了仿真。情况(1):电网电压零序分量v0为0即三相电网对称,如图7所示输入电流完全跟踪电网电压,输出电压稳定;情况(2):电网电压B相缺失,C相电压幅值减少20%,相位超前A相1500,如图8(b)所示,输入电流跟踪电网电压非零序分量,负载在0.28s时过载30%,输出电压经0.06s后稳定,系统正常可靠工作;情况(3):B相电压幅值减少30%,相位滞后A相1500,C相电压幅值减少20%,相位超前A相900,波形如图9所示。

图8情况2电网缺相不对称

图9情况3电网不缺相不对称
5 结论
针对传统的矢量模式单周期控制三相PWM整流器在不对称电网时,具有两个固有缺点:(1)开关损耗不能保证最低;(2)在电网极端缺相时,系统不能正常可靠工作。应用对称分量法分析不对称电网电压的特点,得出三相输入电流分别与对应相电压非零序分量成比例。本文最后采用电网电压非零序分量选择矢量区间,通过分析比较,所采用的单周期控制能保证在系统任何情况,开关损耗最低。最后仿真验证了采用的单周期控制在电网极端缺相时仍能正常工作,提高了矢量模式单周期控制三相PWM整流器的可靠性能。




